在線選型手冊
Selection Guide
Selection Guide
聯系APAS / Contact us
- 地址:天津市西青經濟技術開發區賽達國際工業城A3-2.
- 郵箱:lxc@apas.com.cn
- 電話:022-87920088
- 傳真:請聯系網絡管理員
- 郵編:300385
- 咨詢熱線:13702119190(24小時服務熱線)
在線選型手冊
/ Selection Guide

工業鋁型材配件選型表
產品描述 / Name
如果需要將工業鋁型材組裝成各種框架結構,那么鋁型材配件是必不可少的元素,我們需要借助各種專用配件來完成型材的連接與固定;鋁型材配件分為多種品類和型號,但在應用方面卻有很多共通之處,對于設計人員來說需要具備豐富的實戰經驗才能做出合理地選擇;
022-87920099
可以根據需求進行設計加工,提供上門安裝服務;可以根據特殊需求進行鋁型材開模定制。
* 免費提供工業鋁型材選型手冊 →點擊咨詢
內容來源:http://www.zswzpt.cn/ 作者:APAS 發布日期:2021年09月08日 09時06分 閱讀次數:5858 次
| 如果需要將工業鋁型材組裝成各種框架結構,那么鋁型材配件是必不可少的元素,我們需要借助各種專用配件來完成型材的連接與固定;鋁型材配件分為多種品類和型號,但在應用方面卻有很多共通之處,對于設計人員來說需要具備豐富的實戰經驗才能做出合理地選擇;下面我們簡單的介紹一下鋁型材框架組裝過程中都有哪些較為常用的配件產品; |
| (1)內置連接件是一種隱藏在型材凹槽內部的配件,可以利用該配件完成工業鋁型材直角或十字連接,裝配時需要在型材規定尺寸位置打安裝工藝孔,然后將配件置入工藝孔內,同時將彈性螺母置入另一支型材凹槽內,鎖緊螺栓即可完成安裝; |
![]() ![]()
|
|
(內置連接配件安裝示意圖)
|
|
槽型
|
安裝工藝尺寸
|
材質
|
訂貨編號
|
|||
|
孔徑
|
孔深
|
孔距
|
螺栓長度
|
|||
|
30系列-槽8
|
φ15
|
13
|
16.5
|
M6×22
|
鋅合金
|
CE-BJ15-8-30
|
|
40系列-槽8
|
φ20
|
17
|
21
|
M8×25
|
鋅合金
|
CE-BJ20-8-40
|
|
45系列-槽10
|
φ20
|
17
|
21
|
M8×30
|
鋅合金
|
CE-BJ20-10-45
|
| 注:50系列型材可選用40規格(槽8)內置連接件,60系列型材可選用45規格(槽10)內置連接件; |
| (2)內置內連接件又稱為錨式連接件,是一種隱藏于型材內部的連接方式,可以利用該配件完成鋁型材的直角連接或十字連接,裝配時需要在型材規定尺寸位置打安裝工藝孔,然后將配件置入工藝孔內,同時將T形頭放入另一支型材凹槽內,T形頭的圓柱置入型材中心孔內,鎖緊方向分為90度和180度; |
![]() ![]()
|
|
(內置內連接配件安裝示意圖)
|
|
槽型
|
適用型材
|
材質
|
訂貨編號
|
|
槽8
|
30系列
|
45#電鍍鋼
|
CE-BC8-90°
|
|
CE-BC8-180°
|
|||
|
槽8
|
40系列
|
碳鋼(表面鍍鋅)
|
CE-BC8-90°
|
|
CE-BC8-180°
|
|||
|
槽10
|
45系列
|
碳鋼(表面鍍鋅)
|
CE-BC10-90°
|
|
CE-BC10-180°
|
| 注:安裝前需要確保工藝孔加工精度,如果端面與工藝孔間距過小,會導致連接件不能鎖緊;如果間距過大,則連接件不能完成連接; |
| (3)斜角連接件與內置內連接件相似,屬于錨式連接件的一種,頂部可以實現角度調節,主要利用該配件實現鋁型材間非90度的斜角連接,安裝前需要在型材規定尺寸打安裝工藝孔,然后將配件置入工藝孔內,再將T形頭置入另一支型材凹槽內,另一端通過型材中心孔與配件連接并鎖緊即可完成安裝; |
![]() ![]()
|
|
(斜角連接配件安裝示意圖)
|
|
適用型材
|
槽型
|
材質
|
訂貨編號
|
|
30系列
|
槽8
|
45#電鍍鋼
|
CE-QC8-30
|
|
40系列
|
槽8
|
碳鋼(鍍鋅或鍍鎳)
|
CE-QC8-40
|
|
45系列
|
槽10
|
碳鋼(表面鍍鋅)
|
CE-QC10-45
|
|
50系列
|
槽8
|
碳鋼(表面鍍鋅)
|
CE-QC8-50
|
| 注:斜角連接件安裝時需要保證安裝工藝孔與型材端面的間距,加工精度需要控制在正負0.5mm以內; |
| (4)角槽連接件是一種快速連接配件,利用該配件可實現兩支鋁型材之間90度結構快速連接,安裝裝時只需要將配件兩端分別置入兩支型材凹槽內,利用頂絲鎖緊即可;安裝時需要將兩支型材固定,避免受張力影響導致型材間出現縫隙; |
![]() ![]()
|
|
(角槽連接配件安裝示意圖)
|
|
適用型材
|
槽型
|
螺栓型號
|
材質
|
訂貨編號
|
|
30系列
|
槽8
|
M6
|
碳鋼/鋁合金
|
CE-IB3137-M6-8-30
|
|
40系列
|
槽8
|
M6
|
碳鋼/鋁合金
|
CE-IB3238-M6-8-40
|
|
45系列
|
槽10
|
M8
|
碳鋼/鋁合金
|
CE-IB3238-M8-10-45
|
| 注:50系列與40系列型材同屬于槽8規格材料,所以50系列型材可以選用40規格角槽連接件進行組裝; |
| (5)槽條連接件與角槽連接件安裝方式相似,只是用途不同,可利用該配件實現鋁型材的直線加長連接,安裝時將連接件置入兩支型材對接處凹槽之內,然后利用頂絲鎖緊即可; |
![]() ![]()
|
|
(槽條連接配件安裝示意圖)
|
|
適用型材
|
槽型
|
螺紋
|
材質
|
訂貨編號
|
|
30系列
|
槽8
|
M6(頂絲)
|
碳鋼(鍍鋅或鍍鎳)
|
CE-CL180M6-8-30
|
|
40系列
|
槽8
|
M6(頂絲)
|
碳鋼(鍍鋅或鍍鎳)
|
CE-CL180M6-8-40
|
|
45系列
|
槽10
|
M8(頂絲)
|
碳鋼(鍍鋅或鍍鎳)
|
CE-CL180M8-10
|
| 注:50系列型材槽寬為8mm,可以選用40系列配件,60系列型材槽寬為10mm,可以選用45系列配件完成安裝; |
| (6)三維角連接件是一種應用在框架邊角結構的配件,可實現三支鋁型材90度結構連接,安裝前只需要在型材中心孔進行簡單的攻絲處理即可完成安裝,應用非常便捷,操作簡單; |
![]() ![]()
|
|
(三維角連接件安裝示意圖)
|
|
適用型材規格
|
材質
|
表面處理
|
訂貨編號
|
|
2020型材
|
鋅壓鑄
|
亞光
|
CE-CBR20-3D-6-1A
|
|
鋅壓鑄
|
銀色噴漆
|
CE-CBR20-3D-6-2A
|
|
|
3030型材
|
鋁壓鑄
|
亞光
|
CE-CBR30-3D-8-1A
|
|
鋁壓鑄
|
銀色噴漆
|
CE-CBR30-3D-8-2A
|
|
|
4040型材
|
鋁壓鑄
|
亞光
|
CE-CBR40-3D-8-1A
|
|
鋁壓鑄
|
銀色噴漆
|
CE-CBR40-3D-8-2A
|
|
|
4545型材
|
鋁壓鑄
|
亞光
|
CE-CBR45-3D-10-1A
|
|
鋁壓鑄
|
銀色噴漆
|
CE-CBR45-3D-10-2A
|
| (7)二維角連接件與三維角連接件相似,應用于框架邊角結構的90度直角連接,安裝方式與三維角連接件相同,只需要經過簡單的攻絲處理即可完成安裝,屬于非常實用的配件產品; |
![]() ![]()
|
|
(二維角連接件安裝示意圖)
|
|
適用型材規格
|
材質
|
表面處理
|
訂貨編號
|
|
2020型材
|
鋅壓鑄
|
亞光
|
CE-CBR20-2D-6-1A
|
|
鋅壓鑄
|
銀色噴漆
|
CE-CBR20-2D-6-2A
|
|
|
3030型材
|
鋁壓鑄
|
亞光
|
CE-CBR30-2D-8-1A
|
|
鋁壓鑄
|
銀色噴漆
|
CE-CBR30-2D-8-2A
|
|
|
4040型材
|
鋁壓鑄
|
亞光
|
CE-CBR40-2D-8-1A
|
|
鋁壓鑄
|
銀色噴漆
|
CE-CBR40-2D-8-2A
|
|
|
4545型材
|
鋁壓鑄
|
亞光
|
CE-CBR45-2D-10-1A
|
|
鋁壓鑄
|
銀色噴漆
|
CE-CBR45-2D-10-2A
|
| (8)活動鉸鏈屬于一種可調節角度的萬向連接配件,可以通過調節連接件中心配件完成角度調節,屬于功能型配件產品,可以應用到一些需要隨時調節角度的結構之中;該配件安裝較為靈活,可以安裝到型材任意位置; |
![]() ![]()
|
|
(活動鉸鏈安裝示意圖)
|
|
適用型材
|
槽型
|
材質
|
訂貨編號
|
|
3030型材
|
槽8
|
鑄鋁
|
CE-PJ30
|
|
4040型材
|
槽8
|
鑄鋁
|
CE-PJ40
|
|
4545型材
|
槽10
|
鑄鋁
|
CE-PJ45
|
| 注:該配件安裝于型材端面時,需要在型材中心孔進行簡單的攻絲處理即可完成安裝,操作簡單便捷; |
| (9)快速連接件屬于40系列工業鋁型材專用配件,安裝后隱藏于型材內部,安裝效果平滑美觀;安裝前需要對型材進行打孔攻絲處理,然后將配件與型材中心孔連接固定(注:不要鎖緊),并將配件滑入另一支型材槽內,鎖緊螺栓即可完成安裝; |
![]() ![]()
|
|
(快速連接件安裝示意圖)
|
|
適用型材
|
槽型
|
材質
|
訂貨編號
|
|
40系列
|
槽8
|
碳鋼(鍍鋅或鍍鎳)
|
CE-MC40-8
|
| 注:該配件所用螺栓為半圓頭螺栓,不可使用其它螺栓替代; |
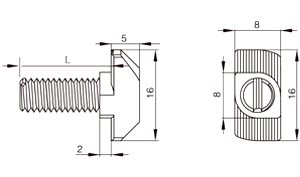
| (10)T型螺栓屬于一種緊固配件,主要用于鋁型材配件的固定連接,安裝時只需要將配件T型頭置入型材槽內,然后鎖緊螺母,T型頭可以通過旋轉自動鎖死在型材槽內,特別適用于快速連接方式; |
![]() ![]()
|
|
(T型螺栓安裝示意圖)
|
|
適用型材
|
槽型
|
L
|
螺紋
|
材質
|
訂貨編號
|
|
30系列
|
槽8
|
16
|
M6
|
碳鋼(鍍鋅或鍍鎳)
|
CE-TB6×16-30
|
|
30系列
|
槽8
|
25
|
M6
|
碳鋼(鍍鋅或鍍鎳)
|
CE-TB6×25-30
|
|
30系列
|
槽8
|
16
|
M8
|
碳鋼(鍍鋅或鍍鎳)
|
CE-TB8×16-30
|
|
40系列
|
槽8
|
20
|
M8
|
碳鋼(鍍鋅或鍍鎳)
|
CE-TB8×20-40
|
|
40系列
|
槽8
|
23
|
M8
|
碳鋼(鍍鋅或鍍鎳)
|
CE-TB8×23-40
|
|
40系列
|
槽8
|
25
|
M8
|
碳鋼(鍍鋅或鍍鎳)
|
CE-TB8×25-40
|
|
40系列
|
槽8
|
30
|
M8
|
碳鋼(鍍鋅或鍍鎳)
|
CE-TB8×30-40
|
|
40系列
|
槽8
|
40
|
M8
|
碳鋼(鍍鋅或鍍鎳)
|
CE-TB8×40-40
|
|
45系列
|
槽10
|
20
|
M8×20
|
碳鋼(鍍鋅或鍍鎳)
|
CE-TB8×20-45
|
|
45系列
|
槽10
|
25
|
M8×25
|
碳鋼(鍍鋅或鍍鎳)
|
CE-TB8×25-45
|
|
45系列
|
槽10
|
30
|
M8×30
|
碳鋼(鍍鋅或鍍鎳)
|
CE-TB8×30-45
|
|
45系列
|
槽10
|
35
|
M8×35
|
碳鋼(鍍鋅或鍍鎳)
|
CE-TB8×35-45
|
|
45系列
|
槽10
|
40
|
M8×40
|
碳鋼(鍍鋅或鍍鎳)
|
CE-TB8×40-45
|
| 注:50系列型材槽寬為8mm,可以選用40系列配件,60系列型材槽寬為10mm,可以選用45系列配件完成安裝; |
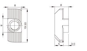
| (11)T型螺母的用法與T型螺栓相似,安裝時只需要將螺母置入型材槽內,然后通過旋轉螺栓即可鎖緊,屬于非常實用的配件之一; |
![]() ![]()
|
|
(T型螺母安裝示意圖)
|
|
適用型材
|
槽型
|
螺紋
|
材質
|
訂貨編號
|
|
30系列
|
槽8
|
M4
|
碳鋼(鍍鋅或鍍鎳)
|
CE-TN4-8-30
|
|
30系列
|
槽8
|
M5
|
碳鋼(鍍鋅或鍍鎳)
|
CE-TN5-8-30
|
|
30系列
|
槽8
|
M6
|
碳鋼(鍍鋅或鍍鎳)
|
CE-TN6-8-30
|
|
40系列
|
槽8
|
M4
|
碳鋼(鍍鋅或鍍鎳)
|
CE-TN4-8-40
|
|
40系列
|
槽8
|
M5
|
碳鋼(鍍鋅或鍍鎳)
|
CE-TN5-8-40
|
|
40系列
|
槽8
|
M6
|
碳鋼(鍍鋅或鍍鎳)
|
CE-TN6-8-40
|
|
45系列
|
槽10
|
M5
|
碳鋼(鍍鋅或鍍鎳)
|
CE-TN5-10-45
|
|
45系列
|
槽10
|
M6
|
碳鋼(鍍鋅或鍍鎳)
|
CE-TN6-10-45
|
|
45系列
|
槽10
|
M8
|
碳鋼(鍍鋅或鍍鎳)
|
CE-TN8-10-45
|
| 注:50系列型材槽寬為8mm,可以選用40系列配件,60系列型材槽寬為10mm,可以選用45系列配件完成安裝; |
| (12)彈性螺母屬于緊固類配件,安裝時可以將螺母直接置入鋁型材凹槽任意安裝點,背部彈性鋼珠可以起到固定作用,非常便于組裝,屬于應用最多的配件之一; |
![]() ![]()
|
|
(彈性螺母安裝示意圖)
|
|
適用型材
|
槽型
|
螺紋
|
材質
|
訂貨編號
|
|
30系列
|
槽8
|
M4
|
碳鋼(鍍鋅或鍍鎳)
|
CE-HRN4-8-30
|
|
30系列
|
槽8
|
M5
|
碳鋼(鍍鋅或鍍鎳)
|
CE-HRN5-8-30
|
|
30系列
|
槽8
|
M6
|
碳鋼(鍍鋅或鍍鎳)
|
CE-HRN6-8-30
|
|
30系列
|
槽8
|
M8
|
碳鋼(鍍鋅或鍍鎳)
|
CE-HRN8-8-30
|
|
40系列
|
槽8
|
M4
|
碳鋼(鍍鋅或鍍鎳)
|
CE-HRN4-8-40
|
|
40系列
|
槽8
|
M5
|
碳鋼(鍍鋅或鍍鎳)
|
CE-HRN5-8-40
|
|
40系列
|
槽8
|
M6
|
碳鋼(鍍鋅或鍍鎳)
|
CE-HRN6-8-40
|
|
40系列
|
槽8
|
M8
|
碳鋼(鍍鋅或鍍鎳)
|
CE-HRN8-8-40
|
|
45系列
|
槽10
|
M5
|
碳鋼(鍍鋅或鍍鎳)
|
CE-HRN5-10-45
|
|
45系列
|
槽10
|
M6
|
碳鋼(鍍鋅或鍍鎳)
|
CE-HRN6-10-45
|
|
45系列
|
槽10
|
M8
|
碳鋼(鍍鋅或鍍鎳)
|
CE-HRN8-10-45
|
|
45系列
|
槽10
|
M10
|
碳鋼(鍍鋅或鍍鎳)
|
CE-HRN10-10-45
|
| (13)彈片螺母與彈性螺母相似,屬于緊固類配件產品,安裝時可以直接置入鋁型材凹槽任意安裝點,背部彈片可以起到固定作用,非常有利于安裝,屬于常用配件之一; |
![]() ![]()
|
|
(彈片螺母安裝示意圖)
|
|
適用型材
|
槽型
|
螺紋
|
材質
|
訂貨編號
|
|
40系列
|
M6
|
M6
|
碳鋼(鍍鋅或鍍鎳)
|
CE-TRN6-40
|
|
40系列
|
M8
|
M8
|
碳鋼(鍍鋅或鍍鎳)
|
CE-TRN8-40
|
| 以上我們詳細介紹了組裝框架過程中較為常用的工業鋁型材配件產品,并且提供了詳細的技術參數以及配件的安裝圖解,在后期選型和應用中可以作為參考; |
聯系APAS/ Contact us
天津艾普斯工業鋁型材股份有限公司
聯系電話:022-87920088
企業傳真:(避免惡意廣告)請聯系該企業網絡管理員
服務熱線:13702119190 (24小時服務熱線)
Q Q:534973906
企業郵箱: lxc@apas.com.cn
企業地址:天津市西青經濟技術開發區賽達國際工業城A3-2
聯系電話:022-87920088
企業傳真:(避免惡意廣告)請聯系該企業網絡管理員
服務熱線:13702119190 (24小時服務熱線)
Q Q:534973906
企業郵箱: lxc@apas.com.cn
企業地址:天津市西青經濟技術開發區賽達國際工業城A3-2
采購意向留言:* 為必填


.jpg)




































QQ咨詢
電話聯系
聯系電話

在線留言
樣冊下載
