鋁型材配件
Product accessories
Product accessories
聯系APAS / Contact us
- 地址:天津市西青經濟技術開發區賽達國際工業城A3-2.
- 郵箱:lxc@apas.com.cn
- 電話:022-87920088
- 傳真:請聯系網絡管理員
- 郵編:300385
- 咨詢熱線:13702119190(24小時服務熱線)
鋁型材緊固配件 / Aluminum profile fittings
產品名稱 / Name
T型螺栓
產品描述 / Describe
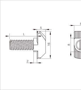
T型螺栓是鋁型材框架組裝較為常用的快速緊固連接件,具有很高的物理強度,表面經過鍍鋅或鍍鎳處理,具有很高的抗氧化能力,通常會與法蘭螺母配合使用;
022-87920088
可以根據需求進行設計加工,提供上門安裝服務;可以根據特殊需求進行鋁型材開模定制。
* 免費提供工業鋁型材選型手冊 →點擊咨詢
|
|
![]() ![]()
|
|
(工業鋁型材專用T型螺栓二維參數)
|
| ? |
|
適用型材規格
|
鋁型材槽型
|
L(mm)
|
螺紋
|
材質
|
訂貨編號
|
|
30系列鋁型材
|
槽8
|
16
|
M6
|
碳鋼(鍍鋅或鍍鎳)
|
CE-TB6×16-30
|
|
30系列鋁型材
|
槽8
|
25
|
M6
|
碳鋼(鍍鋅或鍍鎳)
|
CE-TB6×25-30
|
|
30系列鋁型材
|
槽8
|
16
|
M8
|
碳鋼(鍍鋅或鍍鎳)
|
CE-TB8×16-30
|
|
40系列鋁型材
|
槽8
|
20
|
M8
|
碳鋼(鍍鋅或鍍鎳)
|
CE-TB8×20-40
|
|
40系列鋁型材
|
槽8
|
23
|
M8
|
碳鋼(鍍鋅或鍍鎳)
|
CE-TB8×23-40
|
|
40系列鋁型材
|
槽8
|
25
|
M8
|
碳鋼(鍍鋅或鍍鎳)
|
CE-TB8×25-40
|
|
40系列鋁型材
|
槽8
|
30
|
M8
|
碳鋼(鍍鋅或鍍鎳)
|
CE-TB8×30-40
|
|
40系列鋁型材
|
槽8
|
40
|
M8
|
碳鋼(鍍鋅或鍍鎳)
|
CE-TB8×40-40
|
|
45系列鋁型材
|
槽10
|
20
|
M8
|
碳鋼(鍍鋅或鍍鎳)
|
CE-TB8×20-45
|
|
45系列鋁型材
|
槽10
|
25
|
M8
|
碳鋼(鍍鋅或鍍鎳)
|
CE-TB8×25-45
|
|
45系列鋁型材
|
槽10
|
30
|
M8
|
碳鋼(鍍鋅或鍍鎳)
|
CE-TB8×30-45
|
|
45系列鋁型材
|
槽10
|
35
|
M8
|
碳鋼(鍍鋅或鍍鎳)
|
CE-TB8×35-45
|
|
45系列鋁型材
|
槽10
|
40
|
M8
|
碳鋼(鍍鋅或鍍鎳)
|
CE-TB8×40-45
|
| ? |
|
T型螺栓主要用于型材角件或其他配件與鋁型材之間的快速連接,只需要將T型螺栓置入鋁型材槽內,安裝過程中可以自動定位鎖緊,需要搭配法蘭螺母配合使用; |
?
聯系APAS/ Contact us
天津艾普斯工業鋁型材股份有限公司
聯系電話:022-87920088
企業傳真:(避免惡意廣告)請聯系該企業網絡管理員
服務熱線:13702119190 (24小時服務熱線)
Q Q:534973906
企業郵箱: lxc@apas.com.cn
企業地址:天津市西青經濟技術開發區賽達國際工業城A3-2
聯系電話:022-87920088
企業傳真:(避免惡意廣告)請聯系該企業網絡管理員
服務熱線:13702119190 (24小時服務熱線)
Q Q:534973906
企業郵箱: lxc@apas.com.cn
企業地址:天津市西青經濟技術開發區賽達國際工業城A3-2
采購意向留言:* 為必填















QQ咨詢
電話聯系
聯系電話

在線留言
樣冊下載
