鋁型材配件
Product accessories
Product accessories
聯系APAS / Contact us
- 地址:天津市西青經濟技術開發區賽達國際工業城A3-2.
- 郵箱:lxc@apas.com.cn
- 電話:022-87920088
- 傳真:請聯系網絡管理員
- 郵編:300385
- 咨詢熱線:13702119190(24小時服務熱線)
鋁型材連接角件 / Corner connector
產品名稱 / Name
45度雙槽鋁型材角件
產品描述 / Describe
45度雙槽鋁型材角件主要應用于如:6060、8080、9090、100100等規格鋁型材45度或135度角連接,主要適用于高承載重型鋁型材框架結構,搭配專用配件可實現快速組裝,是較為常用的鋁型材配件之一;
022-87920088
可以根據需求進行設計加工,提供上門安裝服務;可以根據特殊需求進行鋁型材開模定制。
* 免費提供工業鋁型材選型手冊 →點擊咨詢
|
|
![]() ![]()
|
|
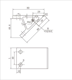
(45度鋁型材強力角件【雙槽】二維參數)
|
| ? |
|
鋁型材規格
|
L(mm)
|
M
|
D(mm)
|
材質
|
訂貨編號
|
|
60×60
|
56
|
M5
|
φ6.5/φ8.5
|
6063-T5
|
CE-L8080-3056
|
|
80×80
|
76
|
M5
|
φ8.5
|
6063-T5
|
CE-L8080-4076
|
|
90×90
|
86
|
M5
|
φ8.5
|
6063-T5
|
CE-L8080-4586
|
|
100×100
|
96
|
M5
|
φ8.5
|
6063-T5
|
CE-L8080-5086
|
| ? |
|
45度雙槽鋁型材角件主要應用于大截面規格鋁型材框架45度或135度結構緊固連接,如:6060、8080、9090、100100等規格鋁型材,需搭配專用圓柱頭及T型螺母或T型螺栓及法蘭螺母實現快速組裝; |
?
聯系APAS/ Contact us
天津艾普斯工業鋁型材股份有限公司
聯系電話:022-87920088
企業傳真:(避免惡意廣告)請聯系該企業網絡管理員
服務熱線:13702119190 (24小時服務熱線)
Q Q:534973906
企業郵箱: lxc@apas.com.cn
企業地址:天津市西青經濟技術開發區賽達國際工業城A3-2
聯系電話:022-87920088
企業傳真:(避免惡意廣告)請聯系該企業網絡管理員
服務熱線:13702119190 (24小時服務熱線)
Q Q:534973906
企業郵箱: lxc@apas.com.cn
企業地址:天津市西青經濟技術開發區賽達國際工業城A3-2
采購意向留言:* 為必填















QQ咨詢
電話聯系
聯系電話

在線留言
樣冊下載
